Описание
Подъемник четырехстоечный 6,5 т, c пневмогидравлической траверсой N433BA, синий? для сход-развала NORDBERG 4465B_N433BA – профессиональное оборудование для обслуживания легкового и грузового транспорта в автосервисных мастерских и СТО.
ФУНКЦИОНАЛ
Предназначен для подъема и удержания на определенной высоте автотранспорта с целью проведения работ по развалу-схождению, а также ремонту и обслуживанию.
ПРЕИМУЩЕСТВА
Максимальная грузоподъемность 6,5 тонн
Подходит для проведения работ по регулировке сход-развала
Пневмогидравлическая траверса грузоподъемностью 3 тонны в комплекте, позволяющая вывесить переднюю или заднюю часть автомобиля
После поднятия автомобиля убираются ролики траверсы, что предотвращает ее перемещение и повреждение роликов.
Наличие безопасной системы блокировки платформы в необходимом для работы положении, с простой и надежной пневматической функцией разблокировки
Функция защиты от падения платформы в момент обрыва троса
Длинные платформы 577 см позволяют обслуживать большинство длиннобазных автомобилей, эксплуатируемых на территории РФ
УДОБСТВО ИСПОЛЬЗОВАНИЯ
Безопасное, простое использование и управление
КОМПЛЕКТАЦИЯ
Подъемник NORDBERG 4465B
Траверса 3 т
Паспорт-инструкция
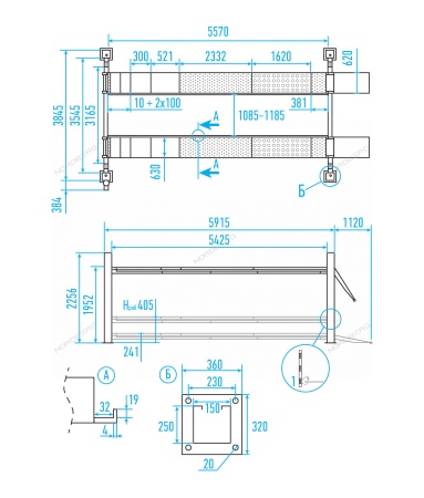
Максимальная грузоподъемность, т 6,5
Минимальная высота подъема, см 24,1
Максимальная высота подъема, см 195
Напряжение, В 380
Ширина трапов, см 63
Длина трапов, см 576,9
Общая высота, см 225,4
Общая ширина, см 384,5
Расстояние между платформами, см 108-118
Траверса есть
Разблокировка стопоров пневматическая
ФУНКЦИОНАЛ
Предназначен для подъема и удержания на определенной высоте автотранспорта с целью проведения работ по развалу-схождению, а также ремонту и обслуживанию.
ПРЕИМУЩЕСТВА
Максимальная грузоподъемность 6,5 тонн
Подходит для проведения работ по регулировке сход-развала
Пневмогидравлическая траверса грузоподъемностью 3 тонны в комплекте, позволяющая вывесить переднюю или заднюю часть автомобиля
После поднятия автомобиля убираются ролики траверсы, что предотвращает ее перемещение и повреждение роликов.
Наличие безопасной системы блокировки платформы в необходимом для работы положении, с простой и надежной пневматической функцией разблокировки
Функция защиты от падения платформы в момент обрыва троса
Длинные платформы 577 см позволяют обслуживать большинство длиннобазных автомобилей, эксплуатируемых на территории РФ
УДОБСТВО ИСПОЛЬЗОВАНИЯ
Безопасное, простое использование и управление
КОМПЛЕКТАЦИЯ
Подъемник NORDBERG 4465B
Траверса 3 т
Паспорт-инструкция
Максимальная грузоподъемность, т 6,5
Минимальная высота подъема, см 24,1
Максимальная высота подъема, см 195
Напряжение, В 380
Ширина трапов, см 63
Длина трапов, см 576,9
Общая высота, см 225,4
Общая ширина, см 384,5
Расстояние между платформами, см 108-118
Траверса есть
Разблокировка стопоров пневматическая
